GD系列放大器分離型高靈敏度光電傳感器
GD系列放大器分離型高靈敏度光電傳感器
GD1-C100/300N,GD1-C100/300EN
特性:
1.采用放大器分離型。
2.感應頭尺寸小,方便安裝。
3.多種距離可選,適合檢測小物體。
4.金屬外殼,堅固耐用。
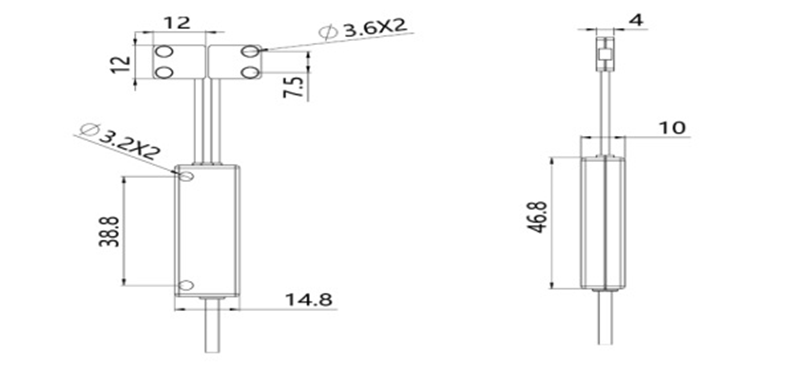
安裝尺寸:
G4-A規格參數:
類型 對射型 可調對射型
可檢測的物體 不透光或半透光材質
光源 紅外LED
反應時間 0.5ms
靈敏度調整 不可調 按鍵設定
最小檢測尺寸 1mm 2mm 0.2mm 0.2mm
操作模式 LIGHT-ON/DARK-ON(按鈕自動調節,長按10秒自動轉換)
指示燈 輸出及電源:紅色LED,穩定操作:綠色LED
控制輸出 NPN或PNP:最高100mA(40V),剩余電壓:最大1V
保護電路 逆電流保護,過電流保護,過壓保護
電源 12至24VDC ±10%
消耗電流 最大20mA
防護等級 IP-66
環境光度 白熾燈:最大5000lux,日光:最大20000lux
環境溫度 “-20至+55℃無凍結”
相對濕度 35至85%,無凝結
外殼 金屬
棕色線----10~24 VDC
藍色線---- 0 VDC
黑色線----NPN輸出
白色線----PNP輸出
設定方法:
1.設定距離和靈敏度,將傳感器發射頭與接收頭對準安裝,按下按鈕(按下時間不超過1秒),指示燈快速閃爍6次,則設定成功??梢赃M入正常操作。
2.常開常閉轉換:按住按鈕15秒時長,松開后指示燈顏色改變,即可實現常開常閉的自動轉換。
使用提示及建議:
1.請不要將強烈光線直射入傳感器接受和發射鏡面。
2.在使用過程中,若傳感器接收和發射鏡面上產生凝露或者沾染油污或灰塵,請用干凈干燥且柔軟的布料擦拭鏡面,可以恢復正常工作。
3.若光電傳感器工作在油污散發或者灰塵發揚的工作環境中,請保持傳感器鏡面清潔。
4.如果使用環境存在經常性的大幅度光線變化,或者高反光的物品較多,或者傳感器對面會有人員或物料通過,建議在傳感器的對面設置固定的遮光板,以保證可靠性。
產品保證
1.保質期:自本產品出貨日期開始,保質期一年,由于產品質量問題引起的故障,一年之內免費換貨。
2.非保修范圍:產品性能與規格按照說明書定義,也只按照本說明書的規格與性能進行保修。對于客戶使用不當或者規格型號不配套的問題,本公司可以給予技術支持并提供改善意見,但是不承諾予以無條件保修。
GD1-C100/300N,GD1-C100/300EN
特性:
1.采用放大器分離型。
2.感應頭尺寸小,方便安裝。
3.多種距離可選,適合檢測小物體。
4.金屬外殼,堅固耐用。
安裝尺寸:
G4-A規格參數:
類型 對射型 可調對射型
型號
NPN GD1-C100N GD1-C300N GD1-C100EN GD1-C300EN
PNP GD1-C100P GD1-C300P GD1-C100EP GD1-C300EPNPN+PNP GD1-C100NP GD1-C300NP GD1-C100ENP GD1-C300ENP
可檢測的物體 不透光或半透光材質
光源 紅外LED
反應時間 0.5ms
靈敏度調整 不可調 按鍵設定
最小檢測尺寸 1mm 2mm 0.2mm 0.2mm
操作模式 LIGHT-ON/DARK-ON(按鈕自動調節,長按10秒自動轉換)
指示燈 輸出及電源:紅色LED,穩定操作:綠色LED
控制輸出 NPN或PNP:最高100mA(40V),剩余電壓:最大1V
保護電路 逆電流保護,過電流保護,過壓保護
電源 12至24VDC ±10%
消耗電流 最大20mA
防護等級 IP-66
環境光度 白熾燈:最大5000lux,日光:最大20000lux
環境溫度 “-20至+55℃無凍結”
相對濕度 35至85%,無凝結
外殼 金屬
重量 約35g 約35g
接線方式:
棕色線----10~24 VDC
藍色線---- 0 VDC
黑色線----NPN輸出
白色線----PNP輸出
設定方法:
1.設定距離和靈敏度,將傳感器發射頭與接收頭對準安裝,按下按鈕(按下時間不超過1秒),指示燈快速閃爍6次,則設定成功??梢赃M入正常操作。
2.常開常閉轉換:按住按鈕15秒時長,松開后指示燈顏色改變,即可實現常開常閉的自動轉換。
使用提示及建議:
1.請不要將強烈光線直射入傳感器接受和發射鏡面。
2.在使用過程中,若傳感器接收和發射鏡面上產生凝露或者沾染油污或灰塵,請用干凈干燥且柔軟的布料擦拭鏡面,可以恢復正常工作。
3.若光電傳感器工作在油污散發或者灰塵發揚的工作環境中,請保持傳感器鏡面清潔。
4.如果使用環境存在經常性的大幅度光線變化,或者高反光的物品較多,或者傳感器對面會有人員或物料通過,建議在傳感器的對面設置固定的遮光板,以保證可靠性。
產品保證
1.保質期:自本產品出貨日期開始,保質期一年,由于產品質量問題引起的故障,一年之內免費換貨。
2.非保修范圍:產品性能與規格按照說明書定義,也只按照本說明書的規格與性能進行保修。對于客戶使用不當或者規格型號不配套的問題,本公司可以給予技術支持并提供改善意見,但是不承諾予以無條件保修。
下一篇:松下色標傳感器
上一篇:G5系列特殊型光電傳感器
注冊
登錄
收藏驍銳
在線留言
網站地圖
品質保障?讓您采購零顧慮








二維碼掃一掃