LL-A系列激光位移傳感器
LL-A系列激光位移傳感器

產品特性
① 采用高效精確的亞像素算法,最小能到0.5微米;
② RS-422/RS-485兩種通信方式,可多臺聯用;
③大量程,小量程,精確測量距離;
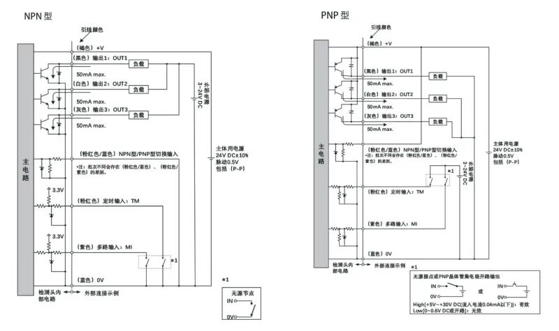
輸入/輸出電路圖

規格參數不同點
按測定中心距離和測定范圍分類
30mm±4mm測定中心距離和測定范圍的型號有:LL-A030-R4
50mm±10mm測定中心距離和測定范圍的型號有:LL-A050-R4
85mm±20mm測定中心距離和測定范圍的型號有:LL-A080-R4
120mm±60mm測定中心距離和測定范圍的型號有:LL-A120-R4
250mm±150mm測定中心距離和測定范圍的型號有:LL-A250-R4
規格參數相同點
測定方式:擴散反射
光源:紅色半導體激光 級別2(JIS/IEC/GB/KS/FDA Laser Notice No.50/GB)最大輸出:0.39mW、投光峰波長:655nm
光束直徑:0.1mmx0.1mm
受光部:CMOS圖像傳感器
分辨率:0.5μm
線性度:±0.1%FS.±
溫度特性:±0.08%Fs.℃
電源電壓:24VDC±10%包括脈動0.5V(P-P)
電流消耗:100mA以下
取樣周期:500us、1ms、2ms
模擬輸出電壓:輸出范圍:0~10.5V(正常時)、11V(警告時)輸出阻抗:100Ω
模擬輸出電流:輸出范圍:3.2~20.8mA(正常時)、21.6mA(警告時)負載阻抗:300Ω以下
OUT1/2/3輸出:<NPN動作設定時>最大流入電流50mA,施加電壓3-24VDC(輸出-0V間),剩余電壓:2V以下(當前流入電流50mA以下)漏電流0.1mA以下;<PNP動作設定時>最大流入電流50mA,剩余電壓:2.8V以下(當前流入電流50mA以下)漏電流0.1mA以下。
判斷輸出或警告輸出(設定切換式)NPN晶體管集電極開路/PNP晶體管集電極開路(切換式)
輸出動作:ON(輸出動作)時開路
短路保護:配備(自動恢復式)
NP切換輸入:0V連接時:NPN集電極開路輸出動作電源24VDC 連接時:PNP集電極開路輸出動作
定時輸入:NPN動作設定時:連接0V時動作或者連接中動作(因設定而異)PNP動作設定時:連接外部電源+時動作或者連接中動作(因設定而異)
多路輸入:根據輸入時間進行調零、復位、內存切換、示教、保存、激光控制NPN動作設定時:依據連接OV的時間PNP動作設定時:依據連接外部電源+的時間
通信接口(高功能型):RS-422或RS-485 波特率:9600/19200/38400/115200bps 數據長8bit、結束位長1bit、奇偶校驗無、BCC有、數據區分:CR
顯示燈激光投光:綠色發光二極管激光投光時亮起
顯示燈警告:橙色發光二極管光量不足致使無法測定的狀態
顯示燈輸出:黃色發光二極管(顯示燈數:3)輸出動作時亮起
顯示燈數字顯示部:紅色發光二極管符號和5位顯示
保護構造:IP67(除連接器)
污損度:2
絕緣電阻:DC250VMegger時20MQ以上(所有端子-殼體之間)
耐電壓:AC1000V1分鐘(所有端子·殼體之間)
耐震動:耐久頻率:10~55HZ(周期1號1分鐘)雙振幅:1.5mmX、Y、z方向各2小時
耐沖擊:500m/S ²X、Y、Z方向各3次
周圍照明度:3.000Lx以下(白熾燈時的受光面照明度)
周圍溫度:-10~+45℃(注意不可結露、結冰)存儲時:-20~+60℃
周圍濕度:35~85%RH 存儲時:35~85RH
使用高度:2000m以下
材質:本體外殼:PBT、前蓋:丙烯、電纜:PVC
電纜:高功能型0.5m
電纜延長:高功能型:用可選電纜(另售)全長可延長至20m
緊固扭矩:0 .8Nm以下
重量高功能型:約70g(不包括電纜)、約110g(包括電纜)、約160g(包裝)
適用標準:EMC指令適用
注冊
登錄
收藏驍銳
在線留言
網站地圖
品質保障?讓您采購零顧慮








二維碼掃一掃